NG娛樂新聞
NG娛樂-NEWS
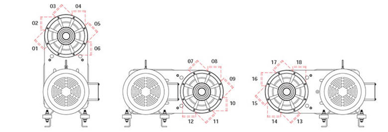
超級風機出風口位置定制
出風口位置
使用RAETTS超級風機時,必須先周詳地考慮現場空間,進而安排管線位置及配管動線,為了方便您的設計及配管工程,如下提供數種出風口位置供您選擇,訂購時請指定出風口位置。

臥式安裝尺寸圖


RAETTSNG娛樂超級風機應用范圍:
電子業:電路板(pcb)、軟性電路板(FPCB)、液晶顯示器(LCD/TFT)等NG娛樂除水/干燥
制管業:管材除水干燥、靜電抑制半導體業:PBGA、FBGA、SBGA、TBGA、CSP等NG娛樂除水/干燥飲料工業:瓶裝飲料、灌裝飲料及各種包裝飲料去除水分/干燥
汽車工業:引擎零件取出油份/水份、車體涂裝研磨后去除粉塵/水份、靜電抑制
土木工程:廢氣運送、粉塵除塵建筑材料:NG娛樂干燥、吹水水份、吹出粉塵
食品工業:包裝食品工業:驅除水份/干燥、水果清洗后吹干、雞蛋清洗后吹干:NG娛樂驅除水份/干燥
鋼鐵工業:鋼板驅除水份/油份、涂布厚度控制
石化工業:氣體運送、NG娛樂干燥、靜電抑制
制藥工業:去除水份/油份、干燥、氣體運送
紡織工業:涂布厚度控制、去除水份/干燥、靜電抑制
電線電纜工業:線材除水/干燥、靜電抑制
連續涂裝工業:涂布厚度控制、去除水份/干燥、靜電抑制
金屬表面處理:去除水份/油份、NG娛樂干燥、靜電抑制、涂布厚度控制
輪胎及橡膠工業:去除水份/油份、干燥、靜電抑制
免費獲取節能降耗方案
立即提交